Motori Asincroni Trifase - IE4/IE3/IE2/IE1

MOTORI PREMIUM EFFICIENCY - IE3/CURUS

  • Motori IE3 Premium Efficiency già dal 2010
  • Affidabilità assoluta: solido, prestante, duraturo
  • Infinite possibilità di personalizzazione per ogni esigenza applicativa

TECHNICAL DATA

Motor Type

AMPE 225S PG4 - 37 kW - 4 poles - 400V - 50Hz

PERFORMANCE DATA

Type Poles kW HP rpm Mn Nm η 50% η 75% η 100% cos Φ IN IA/IN MA/MN MS/MN MK/MN J 10-³ kgm² kg
AMPE 225S PG 4 37 50 1485 237.9 92.0 93.9 93.9 0.86 66.1 7.4 2.0 1.9 2.3 406 328

Mechanical Data

Design Cast iron
Degree of protection IP 55
Bearings DE/NDE 6313 C3
Lubrication grease low & high temperature grease
Regreasing device horizontal 4.600 hours
Regreasing device vertical 4.600 hours
Grease Quantity 25 gr
Cooling IC 411
Vibration Level A (normal)
Noise Lpa db(A) 76

Electrical Data

Voltage400V - 50Hz
ConnectionΔ/Y 400/690V
Duty typeS1
Thermal protectionna
Insulation classF
Direction of rotationbidirectional
Ambient temperature-20°C / +40 °C
Altitude1000 m.a.s.l.

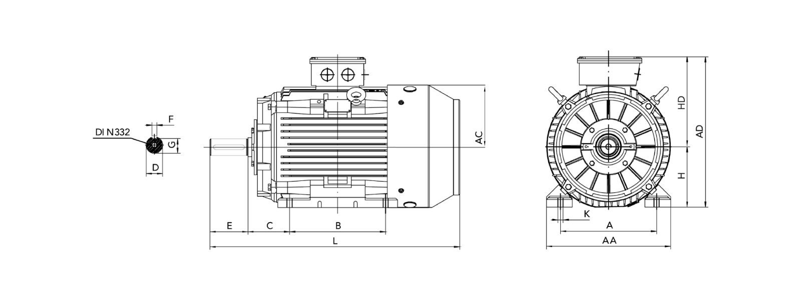
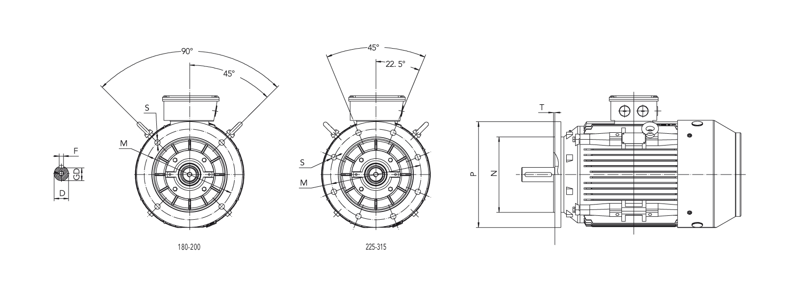
DIMENSIONI

  • B5
  • B3
IM PNMTSDEFGD
B5450350400518.5601401853
IM HABCKADHDACLAAD/DAE/EAFGD
B322535628614919548323445798431601401853
DOCUMENTAZIONE DI PRODOTTOCERTIFICAZIONE DI PRODOTTO
Certificato di Conformità CSA - Motori AC per il Canada
Certificato di Conformità UL - Motori AC
Certificato UL - Motori Alta Efficienza
Certificato UL - Motori Alta Efficienza | Canada
Certificato UL - Motori: Componenti
Certificato UL - Motori: Componenti | Canada
Certificazione CCC - Motori AC
Condizioni Generali di Vendita Lafert S.p.A.
Dichiarazione di Conformità CE - Motori AC ATEX
Dichiarazione di Conformità CE - Motori AC Trifase 180-315
Dichiarazione di Conformità CE - Motori AC Trifase 56-160
Dichiarazione di Conformità CE - Motori Icme AC
Dichiarazione di Conformità CE - Old Type Motors
Dichiarazione di Conformità UKCA - Motori Icme AC
Dichiarazione di Conformità UKCA - Motori Trifase AC 56-160
Dichiarazione di Conformità UKCA - Old Type AC Motors
Dichiarazione RAEE Lafert S.p.A.

Industrie

Contattaci

Lafert S.p.A.
Via J.F. Kennedy 43
30027 San Donà di Piave
Venice - Italy

trova il tuo contatto