| Design | ALUMINIUM |
| Degree of protection | IP 55 |
| Bearings DE/NDE | 6208/2Z |
| Lubrication grease | low & high temperature grease |
| Regreasing device horizontal | permanent lubrication |
| Regreasing device vertical | permanent lubrication |
| Cooling | IC 411 |
| Vibration Level | A (normal) |
| Noise Lpa db(A) | 59 |
| Voltage | 400V - 50Hz |
| Connection | Δ/Y 230/400V or Δ/Y 400/690V |
| Duty type | S1 |
| Thermal protection | na |
| Insulation class | F |
| Direction of rotation | bidirectional |
| Ambient temperature | -20°C / +40 °C |
| Altitude | 1000 m.a.s.l. |

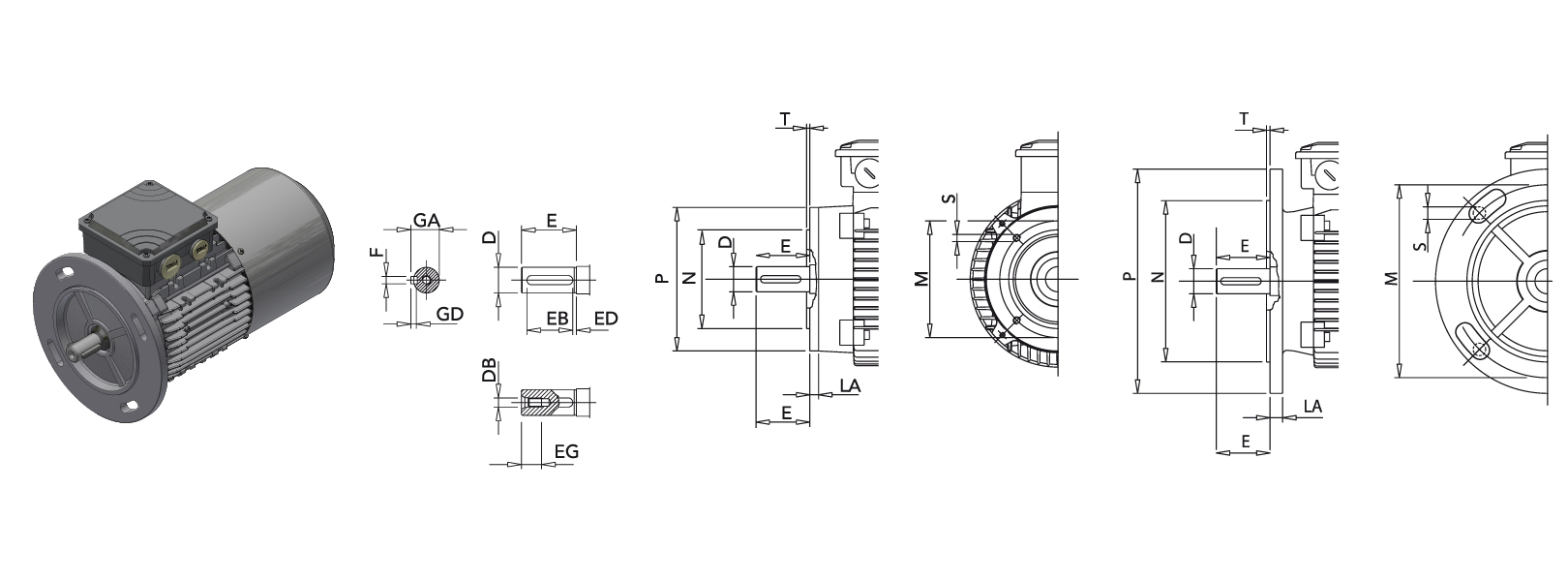
| IM | P | N | LA | M | T | S | D | E | F | GD | GA | DB | EG | EB | ED |
|---|---|---|---|---|---|---|---|---|---|---|---|---|---|---|---|
| B5 | 265 | 230 | 300 | 4 | 14 | M12 | 38 k6 | 80 | 10 | 8 | 41 | M12 | 28 | 70 | 4 |

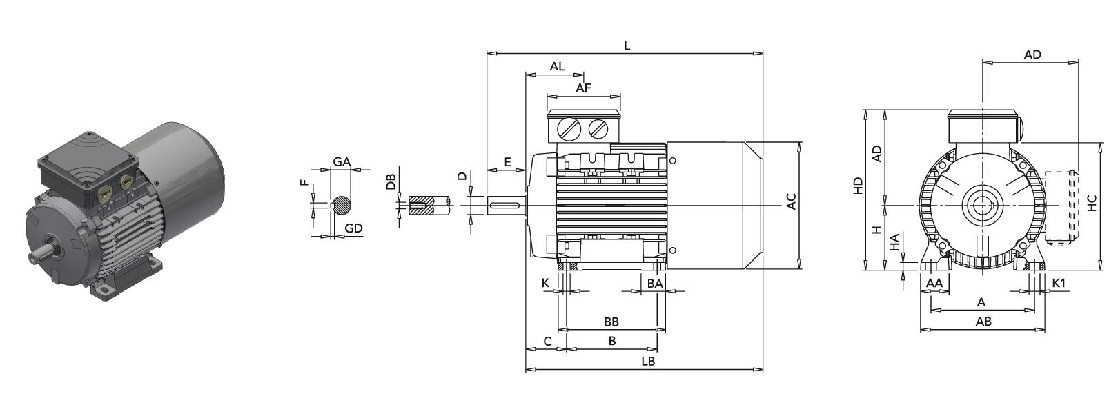
| IM | H | A | B | C | K | AB | BB | AD | HD | AC | HC | HA | K1 | L | LB | AL | AF | BA | AA | D | E | F | GD | GA | DB |
|---|---|---|---|---|---|---|---|---|---|---|---|---|---|---|---|---|---|---|---|---|---|---|---|---|---|
| B3 | 132 | 216 | 140 | 89 | 12 | 256 | 180 | 194 | 326 | 259 | 261 | 17 | 20 | 592 | 512 | 100 | 137 | 45 | 59 | 38 | 80 | 10 | 8 | 41 | M12 |

| IM | P | N | LA | M | T | S | D | E | F | GD | GA | DB | EG | EB | ED |
|---|---|---|---|---|---|---|---|---|---|---|---|---|---|---|---|
| B14 OVERSIZED | 250 | 180 | 12 | 215 | 4 | M12 | 38 k6 | 80 | 10 | 8 | 41 | M12 | 28 | 70 | 4 |

| IM | P | N | LA | M | T | S | D | E | F | GD | GA | DB | EG | EB | ED |
|---|---|---|---|---|---|---|---|---|---|---|---|---|---|---|---|
| B14 | 200 | 130 | 23 | 165 | 3.5 | M10 | 38 k6 | 80 | 10 | 8 | 41 | M12 | 28 | 70 | 4 |



Lafert S.p.A.
Via J.F. Kennedy 43
30027 San Donà di Piave
Venice - Italy