| Design | ALUMINIUM |
| Degree of protection | IP 55 |
| Bearings DE/NDE | 6203/2Z |
| Lubrication grease | low & high temperature grease |
| Regreasing device horizontal | permanent lubrication |
| Regreasing device vertical | permanent lubrication |
| Cooling | IC 411 |
| Vibration Level | A (normal) |
| Noise Lpa db(A) | 52 |
| Voltage | 400V - 50Hz |
| Connection | Δ/Y 230/400V |
| Duty type | S1 |
| Thermal protection | na |
| Insulation class | F |
| Direction of rotation | bidirectional |
| Ambient temperature | -20°C / +40 °C |
| Altitude | 1000 m.a.s.l. |

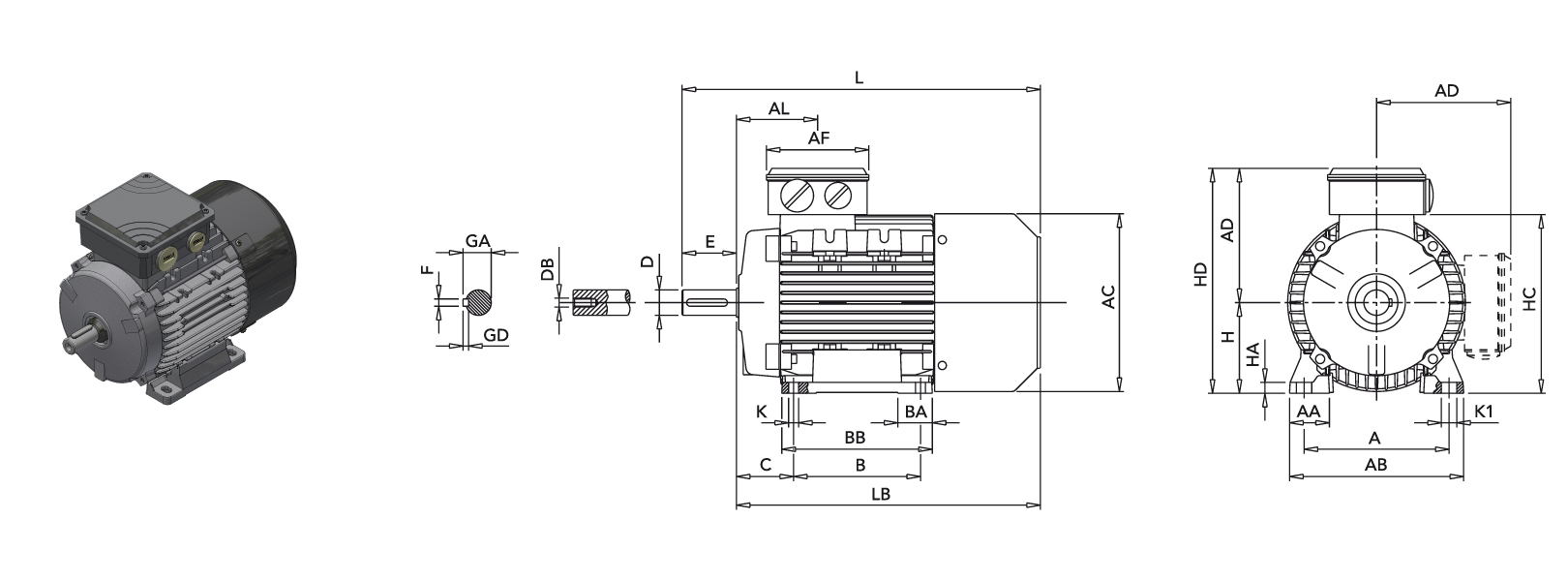
| IM | P | N | LA | M | T | S | D | E | F | GD | GA | DB | EG | EB | ED |
|---|---|---|---|---|---|---|---|---|---|---|---|---|---|---|---|
| B5 | 130 | 110 | 160 | 3.5 | 10 | M8 | 14 j6 | 30 | 5 | 5 | 16 | M5 | 12.5 | 20 | 4 |

| IM | H | A | B | C | K | AB | BB | AD | HD | AC | HC | HA | K1 | L | LB | AL | AF | BA | AA | D | E | F | GD | GA | DB |
|---|---|---|---|---|---|---|---|---|---|---|---|---|---|---|---|---|---|---|---|---|---|---|---|---|---|
| B3 | 71 | 112 | 90 | 45 | 8 | 135 | 108 | 110 | 181 | 138 | 142 | 8 | 11 | 300 | 270 | 69 | 92 | 28 | 31 | 14 | 30 | 5 | 5 | 16 | M5 |

| IM | P | N | LA | M | T | S | D | E | F | GD | GA | DB | EG | EB | ED |
|---|---|---|---|---|---|---|---|---|---|---|---|---|---|---|---|
| B14 OVERSIZED | 140 | 95 | 8 | 115 | 3 | M8 | 14 j6 | 30 | 5 | 5 | 16 | M5 | 12.5 | 20 | 4 |

| IM | P | N | LA | M | T | S | D | E | F | GD | GA | DB | EG | EB | ED |
|---|---|---|---|---|---|---|---|---|---|---|---|---|---|---|---|
| B14 | 105 | 70 | 8 | 85 | 2.5 | M6 | 14 j6 | 30 | 5 | 5 | 16 | M5 | 12.5 | 20 | 4 |



Lafert S.p.A.
Via J.F. Kennedy 43
30027 San Donà di Piave
Venice - Italy